[最も好ましい] 外付けサッシ 292070-外付けサッシ デメリット
楽天市場 アルミサッシ Ykk 勝手口 片引戸 2hh Wb13 Hb17 118 外付 ライフサポート ハマヤ
今ある窓に室外からカバーして窓の断熱性をアップ 対象となる既存サッシは、引違い窓に限られますが、他社商品にも対応できます。 1事前の現場調査を行います。 対応できる建築躯体構造、既存サッシ、納まりを確認します。 2室外から枠と障子をサッシからカーテンウォールまで幅広く取り揃えております。 LIXILビル・マンション/仕様で選ぶ/外付け (鉄骨納まり) ビル・マンションのご案内のページ
外付けサッシ デメリット
外付けサッシ デメリット- まとめ サッシの書き方がわかれば 天井、床、内壁、外壁がわかるようになり、結果金物もわかるようになります。 金物が取り合うサッシは下記のように簡略的なものも多いです。 サッシ図を覚えると今後に役立つので 書く機会がある時は勉強と思って サッシカタログの収まり図を見てもらうのが一番ですがものすごくおおざっぱに言うと 柱の外面に対してサッシ全部が出ているのが外付け、半分くらい出ているのが半外です。 内付けは新寸法体系になってから規格には無くなりました。 外付けは真壁
半外付けサッシ Twitter Search Twitter
年々和室でも施工性の良い洋間のサッシを取り付けた大壁型の和室が増えた。 真壁造の和室は減りましたがコスト削減型の住宅作りではなく 本物の住宅作りを提案して行きたいですね。 しかしうちの物件ってどうしてこんなに外付けサッシが多いのだろう? サッシの開口下地寸法の「方程式」 呼称の数字=開口 基準 寸法に W ワイドは 50 (クリアランス10)mm H エイチは 75 (下40上30クリアランス5)mm *クリアランスは左右合わせて10mm程度に設定しています。 窓枠を取り付ける際に、5mmや3mmのパッキンを使っ・ykk ap webcatalogのご利用にあたっては、ykk ap(株)ウェブサイトご利用条件、個人情報保護方針をご確認ください。 ・カタログ内には注意事項等が複数ページにわたり記載されている場合があり
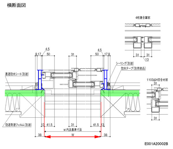
ビル用次世代サッシ mtg70 高性能サッシ 快適な環境は、高性能な「窓」から生まれます。 地球規模の異常気象が問題になっている現代、卓越した技術で開発された「窓=サッシ」により、住む人が安心して暮らすことができる住環境をお届けします。木造サッシ廻り納まり図(参考) 玄関ドア 土台1角 掃き出し窓(半外付サッシ) 外壁サイディング 通気胴縁 透湿防水シート 断熱材(充填断熱) 構造用合板 断熱材 根太 フローリング ビスにて固定 透湿防水シート 外壁サイディング 外壁後付二重窓 外付けサッシ 後付二重窓 外付けサッシ 山梨県清里方面で、ホームページをご覧頂きましたお客様より、 断熱サッシ工事をさせて頂きました YKKAP 高断熱サッシテルモアⅡ(複層ガラス 4) フレミングⅡ オーダー FL5G プラマー
外付けサッシ デメリットのギャラリー
各画像をクリックすると、ダウンロードまたは拡大表示できます
オーダーサイズ勝手口ドア 半外付枠 ランマなし ロンカラーガラスドア Lixil リクシル アルミサッシ Lonksotoiorder リフォームおたすけdiy 通販 Yahoo ショッピング | ![]() Amazon 返品 キャンセル不可品 メーカー受注生産品 アルミサッシ Ykkap 簡易サッシ 倉庫 物置 工場等 3sh V 引違い窓 半外付型 W 1240mm H 450mm 14 窓 引き違い 半外付け 単板ガラス シングルガラス 透明 3mm B1 ブラウン 窓 | 鉄骨サッシ 外付け 詳細 Nisc Panel 外壁材 内装材 屋根材 金属断熱サンドイッチパネル |
![]() 安い お 店 樹脂 アルミサッシ 2枚建 引き違い窓 半外付型 窓タイプ サッシw2470 H1370 シャッターw2408 H1394 手動式シャッター付引違い窓 Ykkap エピソード 建材屋 リフォーム建材屋 アウトレット最安値 Www Staging Modestore Asia | ![]() 楽天市場 外付け ロールスクリーン ソヨカ 節電 省エネ対策 遮熱 外吊り すだれの代わりに 部品 サッシ固定金具 15 セット 本体と同時購入で送料無料 インテリアカタオカ | ![]() 1996 号 組立てパネル住宅における外付けサッシの取付け工法 Astamuse |
![]() 玄関ドア クリエラガラスドア 半外付型親子小扉ポスト付 中桟付仕様 1219 W1240 H1917mm リクシル トステム アルミサッシ店舗ドア 事務所ドア 汎用ドア リフォームおたすけdiy | ![]() アルミサッシ シャッターサッシ 引き違い W1540 H970 半外型 Lixil デュオpg イタリア 窓サッシ 引違い窓 Diy リフォームおたすけdiy | ![]() 楽天市場 アルミサッシ Ykk 勝手口 片引戸 2hh Wb13 Hb17 118 外付 ライフサポート ハマヤ |
Ykkap窓サッシ 引き違い窓 フレミングj 複層ガラス 2枚建 半外付型 サッシ 網戸 窓枠セット品 幅780mm 高570mm アルミサッシ サッシ窓 引違い窓 Nht M Ap 3set ノース ウエスト 通販 Yahoo ショッピング | ![]() 第2回 厚い壁の窓デザイン Q1 0住宅の窓設計ノウハウ 鎌田紀彦のq1 0住宅デザイン論 専門家向け Replan リプラン Webmagazine | ![]() 05 号 建物外部開口用半外付けサッシの枠組み構造 Astamuse |
![]() 内付けサッシと半外付けサッシ 大場建築 Com | ![]() 完璧 半外付 フレミング Ykk アルミサッシ 引違い窓 256 4 単板 W2600 H30 窓 サッシ Mediraf Nl | ![]() 内付けサッシと半外付けサッシ 大場建築 Com |
![]() 外付カバーサッシ アルメイク 三協アルミ | ![]() 28 60t型 フリーサイズ網戸 外付け用 1台 セイキ販売 通販サイトmonotaro | ![]() 08 号 外付けサッシ Astamuse |
![]() 08 号 外付けサッシ Astamuse | 3 | ![]() 第3回 南面の大きな窓 Q1 0住宅の窓設計ノウハウ2 鎌田紀彦のq1 0住宅デザイン論 専門家向け Replan リプラン Webmagazine |
![]() サッシの付け方 木造建築入門 Youtube | ![]() 楽天市場 アルミサッシ アトモス2 単体サッシ 半外付型 呼称 lixil リクシル トステム 引違い窓 引き違い窓 マド ガラス窓 あかりとり窓 | ![]() lixil ビル用アルミサッシに軽量鉄骨造向け 半外付け枠 を追加 新建ハウジング |
![]() 家づくり九十五日目 中村工芸の仕事 | ![]() 格安人気 アルミサッシ Ykk フレミング シャッター付 引違い窓 W10 H10 複層 新入荷 My Swimpool Com Ua | ![]() 内付けサッシと半外付けサッシ 大場建築 Com |
内付け アルミサッシマーケット用語集 アルミサッシマーケット | 1 | ![]() 窓 シャッター フレミングj 引違い窓のcadデータ一覧 Ykk Ap株式会社 |
![]() 半外付サッシ 楽しい設計と家づくりの日々 Sekio S Blog | ![]() Lixil ビジネス情報 データサービス Cadデータ | ![]() 内付けサッシと半外付けサッシ 大場建築 Com |
![]() Lixil ビジネス情報 データサービス Cadデータ | ![]() Lixil ビジネス情報 データサービス Cadデータ | アルミサッシマーケット サッシ 窓通販専門サイト トステム アルミサッシ デュオpg イタリヤシャッター半外付型2枚建 165サッシ 寸法w1690 H30 |
アルミサッシマーケット サッシ 窓通販専門サイト トステム 店舗引戸 半外付け 2枚建 ランマなし サッシ寸法w1800 H1818 | ![]() アルミサッシ 外付型 2枚引き違い 191 W1915h02 デュオpg Lixil リクシル アルミサッシ 引違い リフォームおたすけdiy | ![]() 楽天市場 アルミサッシ 勝手口ドア 半外付型 呼称085 17 lixil リクシル トステム 框ドア 物置 ミニハウス 仮設事務所 現場プレハブ 工場 倉庫 簡易店舗 出入口 あかりとり窓 |
![]() フリーサイズ網戸 外付け用 セイキ販売 窓用サッシ網戸 通販モノタロウ | ![]() 1994 号 連窓サッシ Astamuse | 3 |
リプラス 専用枠 引違い窓 2枚建て 居室窓交換 既設枠 外付 単体サッシ 用 一般複層ガラス仕様 W 1 037 1 529mm H 1 659 2 348mm Lixil Tostem Rip Swstk 2 Ip 1529x2348 Clair 通販 Yahoo ショッピング | ![]() アルミサッシ 引き違い アトモスii 半外枠 単板硝子 11 リフォームおたすけdiy ポンパレモール | ![]() アルミサッシ 引き違いテラス Lixil リクシル デュオpg W1540 H10mm 半外型枠 複層ガラス 樹脂アングルサッシ 窓 サッシ 引違い窓 Diy リフォームおたすけdiy |
アルミサッシ 通販 Life Support Hamaya サッシ 販売 納まり図 引違いテラス戸 半外付 アングル付 | ![]() 地域木材で建てる つくりすぎない家 2階外付けサッシ | ![]() Lixil ビジネス情報 データサービス Cadデータ |
![]() 外付カバーサッシ アルメイク 三協アルミ | アルミサッシ 通販 Life Support Hamaya サッシ 販売 納まり図 引違い窓 半外付 アングル無 | ![]() サッシ鍵に後付けできる補助錠や外付け錠は 防犯対策と利便性をアップできる優れものです リフォームのことなら家仲間コム |
![]() 外付カバーサッシ アルメイク 三協アルミ | ![]() 楽天市場 アルミサッシ トステム 玄関ドア クリエラr 半外付 片開き 12型 ライフサポート ハマヤ | ![]() 05 号 建物外部開口用半外付けサッシの枠組み構造 Astamuse |
![]() 半外サッシの納まりで 家の外観が変わる Pleasant Design | 柱に直付けできる和室向けの外付型サッシです デュオpg ペア硝子 リクシル 通販 アルミサッシ Smtb K 窓廻り Lixil サッシ 4枚引違い 激安 Kb W2630h22 外付型 送料無料 | ![]() 開口部枠造作 窓サッシ取付け ハーフビルドの家作り |
![]() 後付二重窓 外付けサッシ | ![]() 05 号 建物外部開口用半外付けサッシの枠組み構造 Astamuse | サッシ 半外付け 外付け 松島匠建の建てる木の家 太田生品の家 web日誌 |
![]() Lixil リクシル アルミサッシ 面格子付サッシ アトモスii サッシ寸法w1540 H970 リフォームおたすけdiy | ![]() 楽天市場 玄関ドア クリエラガラスドア 内付型片開き 中桟付仕様 0719 W7 H1904mm リクシル トステム アルミサッシ店舗ドア 事務所ドア 汎用ドア 交換 リフォーム Diy 建材屋 リフォーム建材屋 | ![]() 内付けサッシと半外付けサッシ 大場建築 Com |
![]() 外部サッシの交換工事 ウィル空間デザインさんの窓 イエナカ手帖 | ![]() 楽天市場 アルミサッシ アトモス2 ヒシクロス 井桁格子付サッシ 半外付型 呼称 lixil リクシル トステム 引違い窓 引き違い窓 マド ガラス窓 あかりとり窓 | 外付け アルミサッシマーケット用語集 アルミサッシマーケット |
![]() 半外付けサッシの施工 コーナー材で防水処理 Youtube | ![]() 楽天市場 リクシル 日よけ スタイルシェード外付けスクリーン 単体引違い シャッター 雨戸サッシ専用 サイズw1670 H1210 トステム サンシェード シェード スクリーンシェード 日除け対策 節電 おしゃれ グリーン 緑 ベージュ ブラウン 窓工房 ナカサ | 半外付けサッシ Twitter Search Twitter |
![]() アルミサッシ 引き違いテラス Lixil リクシル デュオpg W1540 H10mm 半外型枠 複層ガラス 樹脂アングルサッシ 窓 サッシ 引違い窓 Diy リフォームおたすけdiy | Ykkap窓サッシ 引き違い窓 フレミングj 複層ガラス 2枚建 面格子付 井桁格子 半外付 サッシ網戸窓枠セット 幅730mm 高370mm Ykkアルミサッシ 窓サッ Nhl M Ap2 3set ノース ウエスト 通販 Yahoo ショッピング | ![]() 楽天市場 アルミサッシ デュオsg 単体サッシ 半外付型 呼称 lixil リクシル トステム 引違い窓 引き違い窓 マド ガラス窓 単板 一枚 ガラス あかりとり窓 |
![]() Lixil ビジネス情報 データサービス Cadデータ | 鉄骨サッシ 半外付け 詳細 Nisc Panel 外壁材 内装材 屋根材 金属断熱サンドイッチパネル | 3 |
![]() 半外サッシの納まりで 家の外観が変わる Pleasant Design | ![]() 楽天市場 アルミサッシ Ykk 半外付 勝手口 フラッシュドア W796 H1840 小窓付タイプ ライフサポート ハマヤ | 半外付け アルミサッシマーケットサポートページ アルミサッシマーケット |
![]() 不二サッシ エコ引き違い雨戸 半外付けタイプ 4枚建 2322 寸法w20 2300 H2101 20 エコ引き違い雨戸 Eco窓ファクトリー | ![]() 内付けサッシと外付けサッシの使い分けヾ まりねこのブログ | ![]() Lixil ビジネス情報 データサービス Cadデータ |
![]() Amazon 返品 キャンセル不可品 メーカー受注生産品 アルミサッシ Ykkap 簡易サッシ 倉庫 物置 工場等 3sh V 引違い窓 半外付型 W 1240mm H 450mm 14 窓 引き違い 半外付け 単板ガラス シングルガラス 透明 3mm B1 ブラウン 窓 | 家づくり日記 5 サッシ工事 断熱工事 岩山哲川建築事務所 | ![]() 第3回 南面の大きな窓 Q1 0住宅の窓設計ノウハウ2 鎌田紀彦のq1 0住宅デザイン論 専門家向け Replan リプラン Webmagazine |
![]() Expectation Ykkap フレミングj 4枚建 引き違い窓 W2600 H2230mm 半外付型 テラスタイプ 複層ガラス 樹脂アングル アルミサッシ 引違い窓 Ykk サッシ リフォーム Diy Kenzai 50 Off | ![]() Lixil ビジネス情報 データサービス Cadデータ | 半外 はんそと 半外付けサッシ はんそとづけさっし |
半外付けサッシ とは 建築建具 住宅建築専門用語辞典 | 外付け サッシ そとづけ さっし | ![]() 半外サッシでの壁材の取り合いは危険 |
![]() 1996 号 組立てパネル住宅における外付けサッシの取付け工法 Astamuse | ![]() 08 号 外付けサッシ Astamuse | ![]() ウルト 膨張式シーリングテープ 半外付けサッシ用 Vkp プラス 匠の一冊 公式通販サイト |
Ykkap窓サッシ サイズオーダー引き違い窓 フレミングj 2枚建 単板ガラス 半外付型 幅1601 1800mm 高401 700mm Nht 1800x700 M A ノース ウエスト 通販 Yahoo ショッピング | ![]() 半外サッシでの壁材の取り合いは危険 | アルミサッシ 通販 Life Support Hamaya サッシ 販売 納まり図 引違い窓 半外付 アングル無 |
内付けサッシ うちづけ さっし | アルミサッシマーケット サッシ 窓通販専門サイト ロンカラーガラスドア 半外付け ランマ無 W785 H10 | ![]() ok網戸 外付けサッシ用20 シルバー 20 30 シルバー 20 30 木材 建材 金物 ホームセンターコーナンの通販サイト |
![]() アルミサッシ 外付型 4枚引き違い W2765h1102 デュオpg Lixil リクシル アルミサッシ 引違い窓 リフォームおたすけdiy | ![]() 窓枠とサッシの雨漏りの原因調査と修理方法 大阪の雨漏り修理 防水 外壁塗装専門店 有 グラス サラ | ![]() サッシの取付方は内付けと半外付けどちらが良い 一施主の結論 アラフォー独身男性が工藤建設 フローレンスガーデンにて家を建てた |
![]() 08 号 外付けサッシ Astamuse | ![]() 第3回 南面の大きな窓 Q1 0住宅の窓設計ノウハウ2 鎌田紀彦のq1 0住宅デザイン論 専門家向け Replan リプラン Webmagazine |
窓の「カバー工法」とは、サッシもガラスも 窓をまるごと新しくするリフォーム方法 です。 古くて開きづらくなった窓やすき間風が入る問題を解決できます。また、断熱タイプのサッシやガラスを選ぶことで、暑さや寒さを解決できます。 外付け錠 サッシから外に出て行くことがある方は『外付け錠』を選びましょう。 外付け錠なら外側から鍵をかけることができるため、そのまま外出することもできます。 ただし、自分で取り付けるのは難しいので、専門業者に依頼しましょう。
Incoming Term: 外付けサッシ, 外付けサッシ 納まり, 外付けサッシ lixil, 外付けサッシ デメリット, 外付けサッシ ykk, 外付けサッシとは, 外付サッシ, 外付けサッシ cad, 外付けサッシ 納まり図, 外付けサッシ 半外付けサッシ 違い,










































































コメント
コメントを投稿